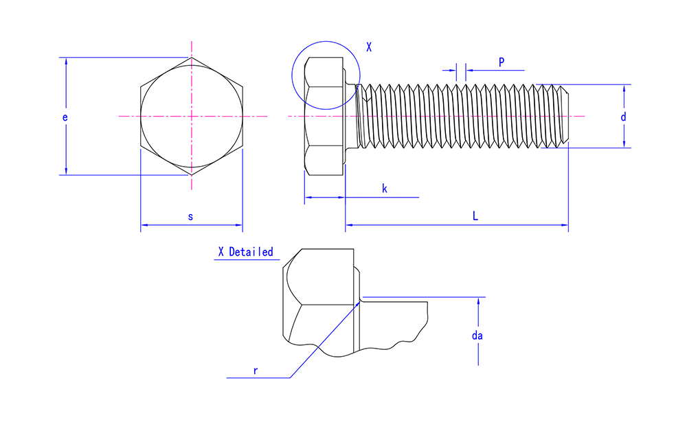
پیچ سر شش گوش از جنس استنلس استیل DIN 933 با رزوه کامل
| ویژگی های سر | کاملا نخی |
| ویژگی های میله | سر شش گوش استاندارد |
| هدف اصلی | برای اتصالات سنگین استفاده می شود که قادر به تحمل بارهای زیاد است. |
| مزایا و ویژگی ها | طراحی کاملاً رزوه ای استحکام اتصال قوی تری را ارائه می دهد که برای مسافت های طولانی مناسب است اتصالات |
| کاربردهای معمولی | اتصالات تجهیزات سنگین، تجهیزات صنعتی، صنعت خودروسازی، ماشین آلات، و تاسیسات ساختمانی |
| شاخص های کلیدی برای انتخاب | طول پیچ، قطر، رزوه کامل، انتخاب مواد، ظرفیت بار. |
| الزامات خاص صنعت | ماشین آلات سنگین: برای مقاومت در برابر نیروهای کششی و برشی زیاد استفاده می شود که نیاز به قابلیت تثبیت قوی دارد. صنعت ساخت و ساز: مناسب برای اتصالاتی که نیاز به تماس کامل با نخ دارند. |















