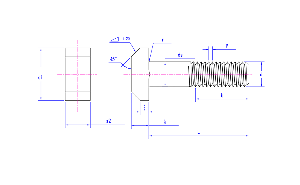
پیچ و مهره های فولادی ضد زنگ DIN 261
| ویژگی های سر | گردن استاندارد تیپ T |
| ویژگی های میله | ریل شیار تعبیه شده کشویی |
| هدف اصلی | نصب و حذف سریع، مناسب برای کاربردهای بار بالا |
| مزایا و ویژگی ها | طراحی T شکل برای نصب و حذف آسان |
| کاربردهای معمولی | برنامه های کاربردی با بار بالا، نصب و جداسازی سریع، تجهیزات خودرو، راه آهن، ماشین آلات. |
| شاخص های کلیدی برای انتخاب | شکل سر تی، طول پیچ، قطر، نوع رزوه، عملیات سطح (حفاظت در برابر خوردگی). |
| الزامات خاص صنعت | صنعت راه آهن: برای بستن با بارهای زیاد و نیاز به مقاومت در برابر لرزش استفاده می شود. تجهیزات با بار بالا: مناسب برای موقعیت هایی که نیاز به جداسازی سریع و اتصالات پر بار دارند. |














