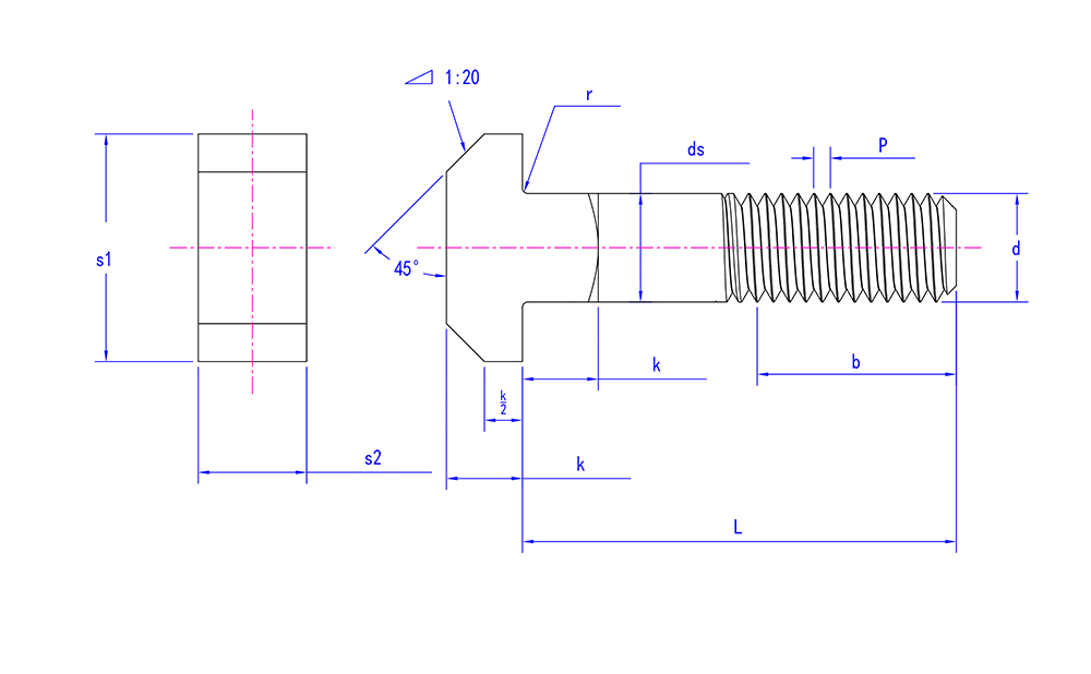
پیچ و مهره های سر تی از فولاد ضد زنگ DIN186 با پیچ و مهره های گردن مربعی
| ویژگی های سر | گردن مربعی ضد چرخش سر نوع T |
| ویژگی های میله | ضد چرخش دوگانه |
| هدف اصلی | از چرخش جلوگیری می کند، ثبات را افزایش می دهد |
| مزایا و ویژگی ها | طراحی گردن مربع از چرخش پیچ و مهره جلوگیری می کند، مناسب برای اتصالات سنگین |
| کاربردهای معمولی | از چرخش، اتصالات پر بار مانند تجهیزات بزرگ، ماشین آلات سنگین جلوگیری کنید. |
| شاخص های کلیدی برای انتخاب | شکل سر تی، اندازه گردن مربع، طول پیچ، قطر، طول نخ، جنس. |
| الزامات خاص صنعت | ماشین آلات سنگین: مناسب برای تجهیزات با بارهای بالا و نیاز به جلوگیری از چرخش پیچ. صنعت خودرو: برای اتصالات با استحکام بالا که از چرخش پیچ جلوگیری می کند استفاده می شود. |

















